
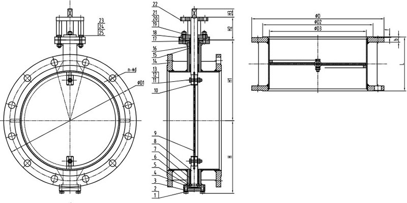
Flanged Ventilation Butterfly Valve (Ventilation Damper)
The Flanged Ventilation Butterfly Valve is a dedicated industrial valve used for regulating or isolating low-pressure gas media, particularly in large-scale ventilation, air pollution control, and exhaust systems. Constructed primarily from welded steel plate, this valve is characterized by its short structural length, light weight, and convenient installation.
It is specifically designed for handling hot or cold air and gas containing dust, smoke, or other particles, common in environmental and heavy industrial applications.

⚙️ Technical Specifications
| Parameter | Specification |
| Nominal Diameter (DN) | DN50 – DN600 |
| Nominal Pressure (PN) | PN1.0/PN2.5/PN6 (Low Pressure) |
| Applicable Temperature | -10°C to 300°C |
| Applicable Media | Coal Gas, Dust-Laden Gas, Flue Gas, Hot/Cold Air |
| Body Material | Q235 Carbon Steel (Welded Steel Plate) |
| Installation Orientation | Generally required to be installed horizontally in the pipeline. |
✨ Product Features and Construction
- Welded Steel Construction: The valve body is fabricated from Q235 Carbon Steel plate, providing a robust yet lightweight structure with a short face-to-face dimension.
- Thermal Expansion Management: Features a large expansion gap between the disc and the valve body, effectively preventing jamming due that may occur from thermal expansion or contraction in hot or cold gas services.
- Smooth Operation: Requires low driving torque, ensuring flexible and convenient opening and closing operations.
- Precision Machining: The valve body and internal parts are processed using CNC machine tools to ensure precise dimensions.
- High Quality Standards:
- Welds are tight and flat, ensuring no leakage.
- Exterior is protected with Epoxy Resin Spray Coating for a good appearance and environmental protection.
- Bolts are made of Stainless Steel for corrosion resistance.
- Undergoes multi-stage quality inspection from component level to final product.
🏭 Application Fields
This valve’s design makes it ideal as a flow control or cut-off device in large gas and ventilation systems with low nominal pressure (≤ 1.0MPa):
- Environmental Protection Engineering (Flue gas, dust control)
- Metallurgy and Steel Industry
- Electric Power Stations
- Chemical and Building Materials Industries
- Glass Manufacturing
Fast Response & Competitive Pricing Start Here
* We are not just providing simple quotes but experts in selection, calculation, and drawing.




