
PTFE Lined Lug Style Butterfly Valve (Stainless Steel Body)
The PTFE Lined Lug Style Butterfly Valve is an essential piece of equipment for severe service applications, specifically designed to handle highly corrosive media such as strong acids, alkalis, and organic solvents. By combining a robust Stainless Steel body with a full Polytetrafluoroethylene (PTFE) liner, the valve offers excellent mechanical strength and superior chemical resistance.
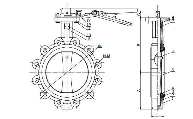
The Lug style connection allows the valve to be securely bolted between two pipeline flanges and offers the advantage of removing the pipeline on one side while maintaining pressure on the other.

⚙️ Technical Specifications
| Parameter | Detail |
| Nominal Diameter (DN) | DN50 – DN150 (≈ 2” – 6”) |
| Nominal Pressure (PN) | PN1.0 – PN1.6MPa |
| Applicable Temperature | ≤ 150°C |
| Applicable Media | Sewage, Seawater, Petroleum, Strong Acids/Alkalis, Organic Solvents, etc. |
| Valve Body Material | Stainless Steel (Provides strength and corrosion support) |
| Connection Type | Lug Style |
| Lining/Sealing Material | PTFE (Polytetrafluoroethylene, or “Teflon”) |
✨ Key Features and Corrosion Resistance
- Superior Corrosion Resistance: The main advantage is the PTFE lining and seal, coupled with Stainless Steel internals (disc, stem). This combination provides robust protection against almost all chemical agents, offering a much stronger anti-corrosion capability than unlined valves.
- Simple and Compact Structure: The design is compact and lightweight, facilitating easy installation, dismantling, and maintenance.
- Quick Operation: Low operating torque required to turn the disc 90°, providing quick and convenient opening and closing.
- Energy Efficiency: Exhibits low flow resistance, and the flow characteristic approximates an inclined straight line, leading to good throttling performance and energy-saving effects.
- Reliable Sealing: Provides reliable, zero-leakage sealing, contributing to a long service life.
- Lug Connection: The Lug type connection ensures secure installation and allows for easier line maintenance compared to a wafer style.
🏭 Application Fields
This specialized corrosion-resistant valve is widely used in industries handling highly aggressive or corrosive fluids:
- Chemical Industry
- Petroleum and Refinery
- Smelting and Metallurgy
- Papermaking
- Environmental Protection
- Water Treatment (for highly acidic or alkaline streams)
The PTFE Lined Lug Valve is the ideal choice for chemical isolation where temperature is kept below 150°C.
Fast Response & Competitive Pricing Start Here
* We are not just providing simple quotes but experts in selection, calculation, and drawing.




