
Signal Grooved Butterfly Valve
The Signal Grooved Butterfly Valve is a specialized quarter-turn valve primarily used in fire protection, water supply, and HVAC systems. It is engineered with grooved ends for quick and easy connection using grooved couplings (couplers) and features an integrated signaling device to monitor the valve’s open or closed status remotely.
The grooved connection method offers significant advantages in installation speed and safety compared to traditional welding or flanged connections.

⚙️ Technical Specifications
| Parameter | Specification |
| Product Name | Signal Grooved Butterfly Valve |
| Nominal Diameter (DN) | DN50 – DN200 (≈ 2” – 8”) |
| Nominal Pressure (PN) | PN16 |
| Applicable Temperature | 0°C – 80°C |
| Applicable Media | Water |
| Valve Body Material | Ductile Iron (QT450-10) |
| Connection Type | Grooved |
🚨 Key Features and Signaling Function
The “Signal”function is crucial, especially in fire systems, as it provides real-time monitoring of the valve’s position.
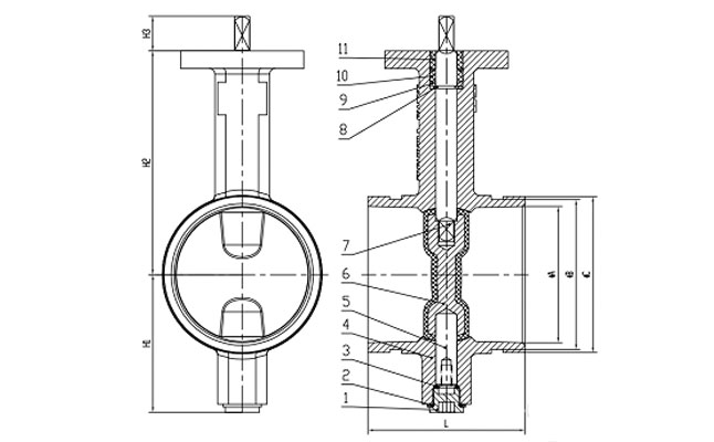
- Integrated Signaling Device: The valve utilizes a worm gear and worm wheel transmission. As the cam rotates, it presses or releases contacts on the signaling device, outputting a corresponding “On”/”Off” electrical signal to display the butterfly valve’s open/closed status.
- Grooved Connection Benefits:
- Fast Installation: Requires only mechanical assembly with grooved couplings, eliminating the need for welding and open flames. Ideal for environments with fire restrictions .
- Compact & Lightweight: Occupies approximately 70% of the space taken by flanged connections and is lighter with fewer bolts required.
- High-Strength Ductile Iron Body: Uses QT450-10 Ductile Iron (Spheroidization rate 3 grade, Tensile Strength ≥450MP, Elongation ≥10%), ensuring a robust structure. Material reports are available.
- Durable Sealing: Features high-elasticity EPDM rubber seat (rubber content 50%, tensile strength 16.1MPa). Proven to be leak-free after over 10,000 open/close simulation tests.
- Pinless Stem Design: Easier for installation and disassembly.
- Anti-Blowout Stem: The upper end of the valve stem is designed with a snap ring groove to prevent the stem from blowing out during operation, enhancing safety.
- Self-Sealing Stem: The stem seal combines an oil-free bearing with packing structure to achieve self-sealing capability.
- Quality Control: Every valve is factory pressure-tested according to national standards before shipment.
🏭 Application Fields
This valve is widely used in systems where a fast, safe, and easily monitored connection is required, primarily with water:
- Fire Protection Systems (Where position signaling is mandatory)
- Municipal Construction
- Water Treatment and Supply Systems
- HVAC Systems (Heating, Cooling, and Water Circulation)
The Signal Grooved Butterfly Valve is optimized for quick installation and reliable status monitoring.
Fast Response & Competitive Pricing Start Here
* We are not just providing simple quotes but experts in selection, calculation, and drawing.




